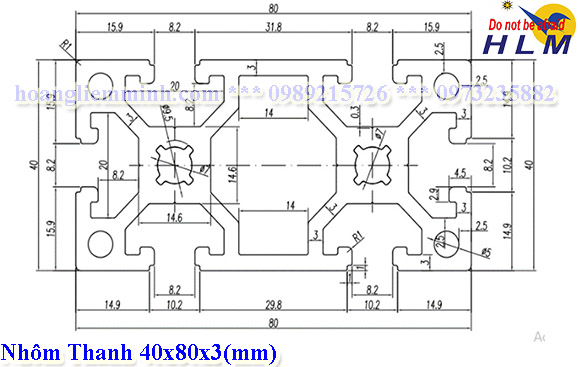
Nhôm Định Hình 40x80
Nhôm định hình 40x80C
- Chất liệu: Mác nhôm A6063-T5
- Bề mặt nhôm Anode trắng bóng đẹp
- Chiều dài thanh nhôm 6 mét
- Trọng lượng: 3.333 kg/m
Nhôm định hình 40x80 là một trong những loại nhôm công nghiệp được sử dụng rộng rãi trong các hệ thống tự động hóa, lắp ráp cơ khí và xây dựng. Với thiết kế chữ nhật chắc chắn, độ bền cao và khả năng chịu lực tốt, loại nhôm này mang lại nhiều lợi ích cho doanh nghiệp và kỹ sư trong quá trình lắp ráp khung kết cấu.
1. Nhôm Định Hình 40x80 Là Gì?
Nhôm định hình 40x80C
Nhôm định hình 40x80 là thanh nhôm có tiết diện chữ nhật với kích thước 40mm x 80mm. Thường được sản xuất từ hợp kim nhôm 6063-T5 hoặc 6061, nhôm định hình 40x80 có độ cứng cao, trọng lượng nhẹ và khả năng chống ăn mòn tốt. Đặc biệt, nhôm này có thiết kế rãnh chữ T giúp dễ dàng lắp ráp với các phụ kiện như ke góc, bulong, ốc vít mà không cần hàn hay gia công phức tạp.
2. Ưu Điểm Của Nhôm Định Hình 40x80
- Độ cứng và khả năng chịu lực tốt: Với kích thước 40x80mm, nhôm có độ cứng cao và khả năng chịu tải lớn, thích hợp cho những kết cấu yêu cầu độ bền vững chắc.
- Trọng lượng nhẹ: So với thép, nhôm nhẹ hơn nhưng vẫn đảm bảo độ cứng, giúp dễ dàng vận chuyển và lắp đặt.
- Chống ăn mòn cao: Được xử lý anode bề mặt, nhôm có khả năng chống oxy hóa, phù hợp với môi trường khắc nghiệt.
- Dễ dàng lắp ráp và tháo rời: Nhờ hệ thống rãnh chữ T, việc lắp ghép trở nên đơn giản, không cần hàn, giúp tiết kiệm thời gian và chi phí nhân công.
- Tính thẩm mỹ cao: Bề mặt nhôm sáng bóng, hiện đại, phù hợp với nhiều thiết kế công nghiệp và dân dụng.
3. Ứng Dụng Của Nhôm Định Hình 40x80
Nhôm định hình 40x80 được ứng dụng rộng rãi trong nhiều lĩnh vực khác nhau như:
- Khung máy và hệ thống tự động hóa: Nhôm định hình 40x80 được sử dụng để làm khung máy CNC, băng tải công nghiệp và dây chuyền sản xuất.
- Bàn thao tác, giá kệ công nghiệp: Là vật liệu phổ biến để làm bàn làm việc trong nhà xưởng, giá kệ chứa hàng.
- Khung cửa, vách ngăn: Sử dụng làm khung cửa nhôm, vách ngăn phòng hoặc nhà xưởng giúp tối ưu không gian.
- Ứng dụng trong ngành robot và thiết bị cơ khí: Nhôm định hình 40x80 giúp chế tạo khung robot, hệ thống cảm biến và bộ phận chuyển động của máy móc.
4. Lưu Ý Khi Lựa Chọn Nhôm Định Hình 40x80
- Xác định nhu cầu sử dụng: Tùy vào yêu cầu tải trọng và môi trường làm việc để chọn loại nhôm phù hợp.
- Kiểm tra chất lượng nhôm: Nhôm đạt chuẩn sẽ có độ cứng tốt, bề mặt mịn, không bị lỗi kỹ thuật.
- Chọn phụ kiện đồng bộ: Các loại ốc vít, ke góc phải có kích thước tương thích với rãnh nhôm để đảm bảo kết cấu chắc chắn.
5. Kết Luận
Nhôm định hình 40x80 là một giải pháp lý tưởng cho các ứng dụng công nghiệp và cơ khí. Với độ bền cao, khả năng lắp ráp linh hoạt, trọng lượng nhẹ và tính thẩm mỹ tốt, loại nhôm này giúp tối ưu hóa quy trình sản xuất và giảm thiểu chi phí. Nếu bạn đang tìm kiếm một vật liệu bền chắc, dễ thi công và đa năng, nhôm định hình 40x80 chính là lựa chọn hoàn hảo





Bình luận
Xem thêm